軽量仮設材のレンタルならKKLにおまかせください


HOME > 商品案内 > 枠組足場・枠組支保工 > アルミ朝顔

アルミ朝顔は都市美観と軽量と安全性を増しました。
アルミ合金とFRP板で作業性が飛躍的に向上します。
 ◆ スパンごとに独立し折りたたみが可能ですので、荷揚げ作業時に必要なスパンだけを
   折りたたむ事ができます。
 ◆ 軽量設計により、組立・解体作業が枠組内で行え安全です。





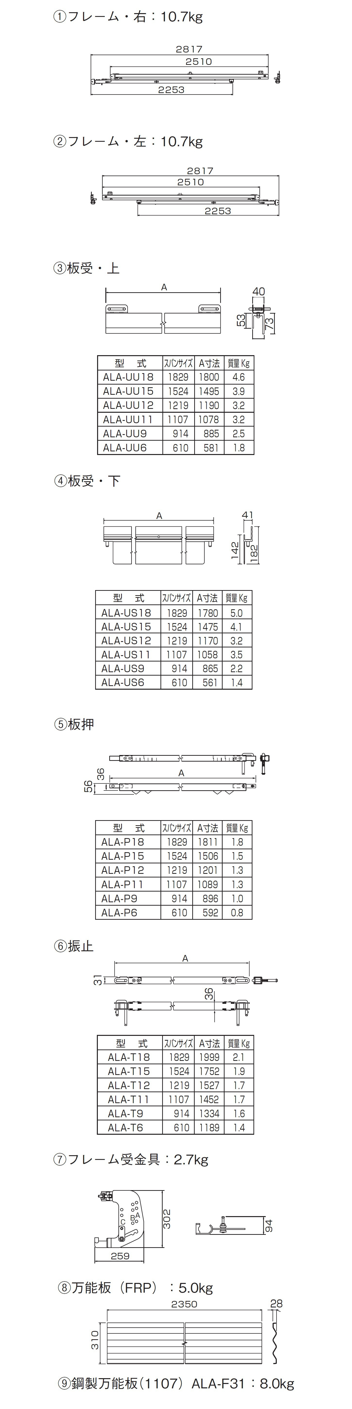
資料

■ アルミ朝顔 組立手順書(メーカー)  LinkIcon(PDF)

■ アルミ朝顔 躯体との隙間(メーカー)  LinkIcon(PDF)

■ アルミ朝顔 組立角度(メーカー)  LinkIcon(PDF)

■ アルミ朝顔 パンフレット(メーカー) LinkIcon(PDF)

■ アルミ朝顔 フレーム受金具使い分け図面(KKL) LinkIcon(PDF)

■ 先行手すり枠・アルミ朝顔併用時の注意 LinkIcon(PDF)


■ 建設工事公衆災害防止対策要綱 建設工事等編 LinkIcon(PDF)
          令和元年9月2日 国土交通省告示496号

第23 外部足場に関する措置
(48ページ)